Profi и SIMM 72 pin

Postby solegstar » 10 Jul 2011, 00:58

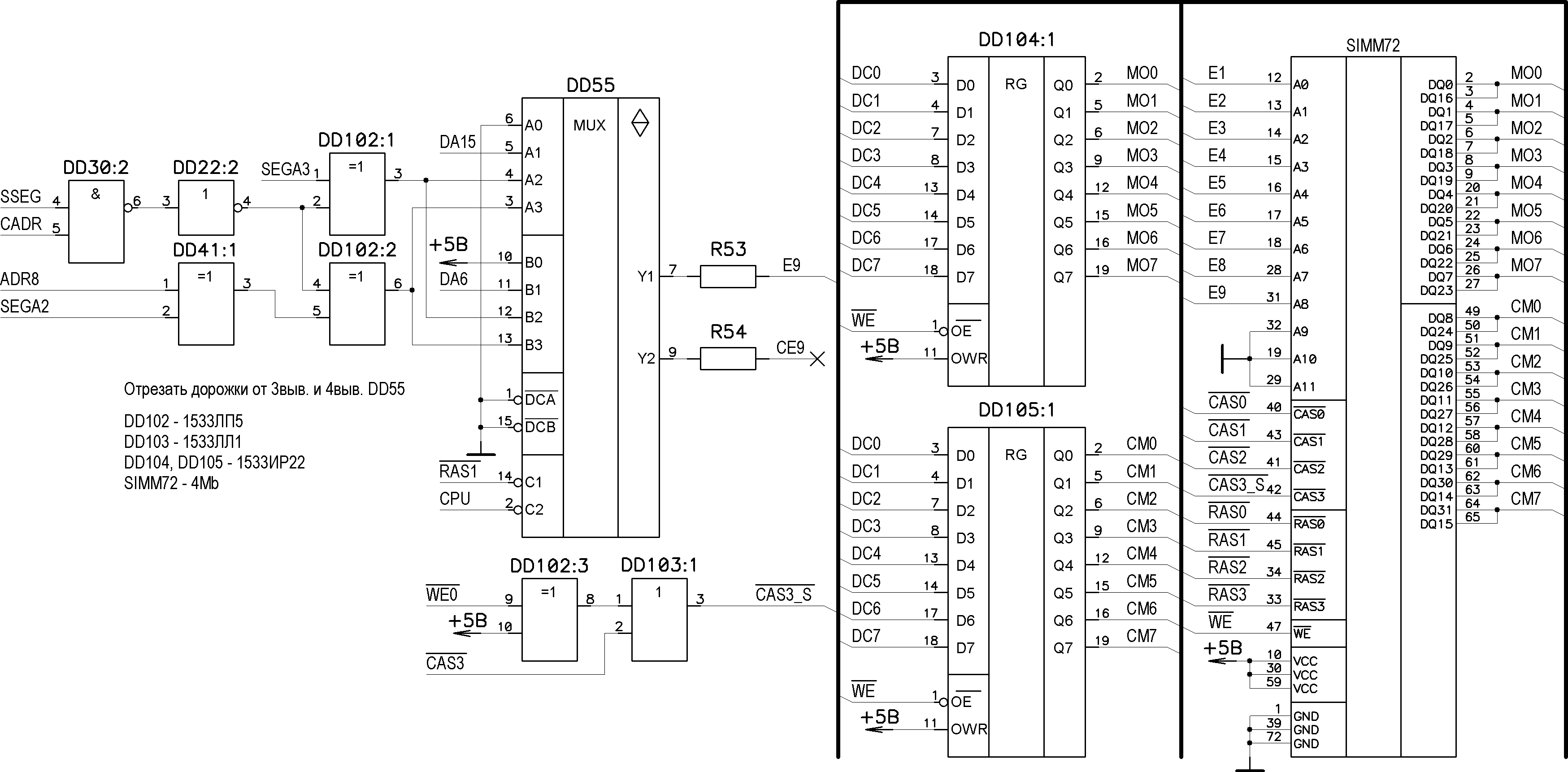
Приветствую! Решил поднять тему. Перерисовал принципиальную схему c отсканированых черновиков нольки под использование памяти 1мб SIMM72... Кое что на листках было несовсем ясно, а если быть точным на листке с узлом формирования /CAS3_Simm. На входы элемента исключающее "ИЛИ" приходят два(?) сигнала - один WE0, второй непонятный, под черным прямоугольником, он явно был вырезан... вот на этом листке - download/file.php?id=533 . Нолька, я пока нарисовал перемычку, если будет возможность проверь правильность схемы доработок, а особенно узел формирования /CAS3_Simm. Спасибо заранее!
Attachments
Profi_SIMM72.jpg
(789.97 KB) Not downloaded yet
Last edited by solegstar on 10 Jul 2011, 09:31, edited 1 time in total.
solegstar
 
Posts: 34
Joined: 17 Dec 2009, 16:33
Group: Registered users

Postby нолька » 10 Jul 2011, 06:49

там действительно ошибка. Элемент искл. ИЛИ используется для инверсии /WE0, для этого на другой его вход надо подать лог.1 (5в)
<alone> предлагаю тслабсу дать транк, но с условием чтобы он впилил туда спрайтотайлы, но не трогал атм
<LordVader> alone: яготов всосать срайты от тслабса )
<LordVader> атм режимы это пиздец
User avatar
нолька
рОвный
 
Posts: 1200
Joined: 08 Apr 2007, 20:12
Group: Registered users

Postby solegstar » 10 Jul 2011, 09:36

Спасибо Нолька! Поправил схему в предыдущем сообщении с исправлением узла CAS3_Simm. Теперь вроде вопросов нет. Буду делать печать ЛУТом, чтоб установить симм72 на посадочное место РУ7. Сама печать разведена, но под ЛУТ она не подойдет. Буду переделывать. Спасибо еще раз!
solegstar
 
Posts: 34
Joined: 17 Dec 2009, 16:33
Group: Registered users

Postby lvd » 11 Jul 2011, 07:08

Гы, любители к155ла3 не перевелись ещё :)
F̞͖̭̿̔ͯu̐̅cͬ̑ͩk̨̤̳͇̮̭̪̠̽̿̓̆ͭͩ ̷̩̰͎̩͓̘̾̀ͬ̊ͭ͛ͅda̝̺͙̬͎̝̾͟ ̰̜̝̯͉̯̖̓̎́ͨ̽ͫ͟f̟͇̭̀ͬͨͭ̐̚u̹̼̹̗̞͑̔͂͐̚cͭ̅̊̆̒̆ǩ̝̩̯́ͥ̔̍̑ḭ͓͍̳̬ͦ̽͂n͍͎͈̈̅ͩͬ ̊ͫ̂̾̑̈́f̲͚͉͓͗̋́ͧͦ̅ȗ͇̲̻͈̲̅̎͗͒ͭ͡c̬̟̠̹̯̈́ͩ͘ͅk̫̠̻̋͜a̲͒̾̇!͙͕̺͉̗̩̲̂̏̄̀
User avatar
lvd
 
Posts: 7263
Joined: 07 Apr 2007, 21:28
Group: Registered users

Postby solegstar » 21 May 2012, 09:59

со всеми домашними заботами и модификациями Профи добрался таки и до памяти. jtn, ты выше писАл, что урезал шину симма72 вдвое, если я правильно понял, память будет как-бы дублироваться в половине симма относительно другой? возможно-ли использовать с этой схемой доработки мультиплексоров вместо 8ми однобитных РУ7 две 4хбитные микросхемы (у меня имеются в наличии NN514405BJ-60 1Мх4bit) на каждый CAS? грядет еще одна модификация платы профи 5 хочется развести место под эти микросхемы прямо на плате, но сначала проверю на макетке. спасибо.
solegstar
 
Posts: 34
Joined: 17 Dec 2009, 16:33
Group: Registered users

Postby нолька » 21 May 2012, 10:11

шину я урезал, но объем остался все равно 4мб, т.к. CAS раздельные.
две 4х битные не получится, т.к. на профи в цветном режиме одновременно надо 16 бит данных.
Оно конечно можно разогнать память в 2 раза, поставить буферные элементы, но мне кажется такой геморрой не стоит свеч.
Я честно говоря, вообще особо не вижу смысла в переразводке древних плат на дипах.
Если бы на еве был 8битный цвет, то можно было сделать 100% профик.
<alone> предлагаю тслабсу дать транк, но с условием чтобы он впилил туда спрайтотайлы, но не трогал атм
<LordVader> alone: яготов всосать срайты от тслабса )
<LordVader> атм режимы это пиздец
User avatar
нолька
рОвный
 
Posts: 1200
Joined: 08 Apr 2007, 20:12
Group: Registered users

Postby solegstar » 21 May 2012, 10:22

ок, тогда попробую просто на симме сделать. в ближайшее время отпишусь. и еще вопрос, я так понял для регенерации 1Мб достаточно переделать E9, не переделывая E1, как у тебя на листках? а то по треду так толком и не понял...
solegstar
 
Posts: 34
Joined: 17 Dec 2009, 16:33
Group: Registered users

Postby нолька » 21 May 2012, 10:27

емнип, если из 4мб симма использовать только 1мб, достаточно только заземлить старший адрес, но доработка с CASами все равно нужна
<alone> предлагаю тслабсу дать транк, но с условием чтобы он впилил туда спрайтотайлы, но не трогал атм
<LordVader> alone: яготов всосать срайты от тслабса )
<LordVader> атм режимы это пиздец
User avatar
нолька
рОвный
 
Posts: 1200
Joined: 08 Apr 2007, 20:12
Group: Registered users

Postby solegstar » 21 May 2012, 10:38

c CAS понятно, а адресацию E1 получается необязательно переделывать, только E9... ладно, проверю на живом профи. спс.

PS: подключил таки профик через USB-VideoIn по S-Video с Pal-кодера NedoPC, картинка супер. намного лучше, чем через композит, ты был прав! :) может помнишь, обсуждали...
solegstar
 
Posts: 34
Joined: 17 Dec 2009, 16:33
Group: Registered users

Postby solegstar » 21 May 2012, 14:22

jtn, нашел еще вот такую схему подключения симма (SIMM30 правда) к профи 3.2 - http://www.zxpress.ru/article.php?id=3756, в ней автор рассказывает о проблемах с регенерацией ОЗУ в профи после сброса компа, мол рам-диск портится (факт, к сожалению), и приводит новую схему регенерации для симма, что стало актуально при работе с рамдиском (у меня wdc работает с рам-диском профи 5.03 через tr-dos 6.05H с карточки NeoGS). стоит на твоей схеме её попробовать? единственное, что она опять же под профи 3.2, от 5.03 отличается одним Е8 (в 3.2 на 6 вывод кп12 U54.1 заведен D20, а в 5.03 заведен PIKS(+)80DS) и дополнительным CE9. если сравнить старую адресацию и новую для симма, то можно увидеть, что Е8 не переделывается, и можно оставить по аналогии и в профи 5.03 также. или не стоит так заморачиваться?
solegstar
 
Posts: 34
Joined: 17 Dec 2009, 16:33
Group: Registered users

PreviousNext

Return to Hardware

Who is online

Users browsing this forum: No registered users and 27 guests

cron