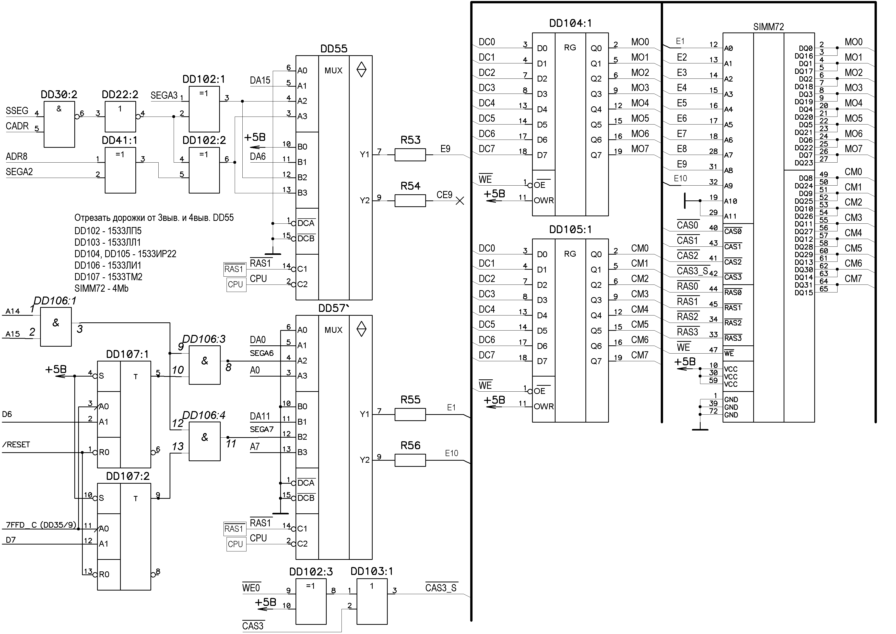
нолька wrote:Сигналы A20R, A21R используются для расширения до 4мб

нолька wrote:запись в порт не должна зависеть от а14 а15 (точнее должна, но оно уже есть в дешифраторе порта 7ффд)

нолька wrote:зы: можно юзать более прогрессивное средство онлайн общения - чят

Users browsing this forum: No registered users and 9 guests