Подсоветуйте по аналоговой схемотехнике...

Postby deathsoft » 02 Aug 2010, 21:51

KOE wrote:удобнее в данном контексте.

Ничуть, и к томуже п-моп тормозные. Их юзают разве что когда источник отрицательного напряжения нужен.
User avatar
deathsoft
 
Posts: 4744
Joined: 07 Apr 2007, 00:58
Group: Registered users

Postby KOE » 02 Aug 2010, 21:55

deathsoft wrote:Ничуть, и к томуже п-моп тормозные.

да 1 хнер, что п, что н, если речь не идет о частотах выше мегагерца и токах более 10А.
Я имел в виду, что исток у транзистора удобнее цеплять к цекпи питания, в данном случае п подходит лучше. А так, можно напридумывать разных вариантов, я нарисовал первое, что в голову пришло.
Мы рождены, чтоб сказку сделать былью
"Кто не обломался, тем еще предстоит"
User avatar
KOE
 
Posts: 4683
Joined: 15 Apr 2007, 13:06
Group: Registered users

Postby lvd » 02 Aug 2010, 22:19

слоупок
F̞͖̭̿̔ͯu̐̅cͬ̑ͩk̨̤̳͇̮̭̪̠̽̿̓̆ͭͩ ̷̩̰͎̩͓̘̾̀ͬ̊ͭ͛ͅda̝̺͙̬͎̝̾͟ ̰̜̝̯͉̯̖̓̎́ͨ̽ͫ͟f̟͇̭̀ͬͨͭ̐̚u̹̼̹̗̞͑̔͂͐̚cͭ̅̊̆̒̆ǩ̝̩̯́ͥ̔̍̑ḭ͓͍̳̬ͦ̽͂n͍͎͈̈̅ͩͬ ̊ͫ̂̾̑̈́f̲͚͉͓͗̋́ͧͦ̅ȗ͇̲̻͈̲̅̎͗͒ͭ͡c̬̟̠̹̯̈́ͩ͘ͅk̫̠̻̋͜a̲͒̾̇!͙͕̺͉̗̩̲̂̏̄̀
User avatar
lvd
 
Posts: 7263
Joined: 07 Apr 2007, 21:28
Group: Registered users

Postby KOE » 02 Aug 2010, 22:38

это вы к кому сейчас обращались?
Мы рождены, чтоб сказку сделать былью
"Кто не обломался, тем еще предстоит"
User avatar
KOE
 
Posts: 4683
Joined: 15 Apr 2007, 13:06
Group: Registered users

Postby keeper » 02 Aug 2010, 22:57

КОЕ, спасибо, книжку тоже скачал, пригодиться! Насколько я понял, если не нужно управлять порогом срабатывания защиты от перегрузки то можно обойтись двумя ШИМами?
keeper
 
Posts: 286
Joined: 12 Jun 2010, 22:31
Group: Registered users

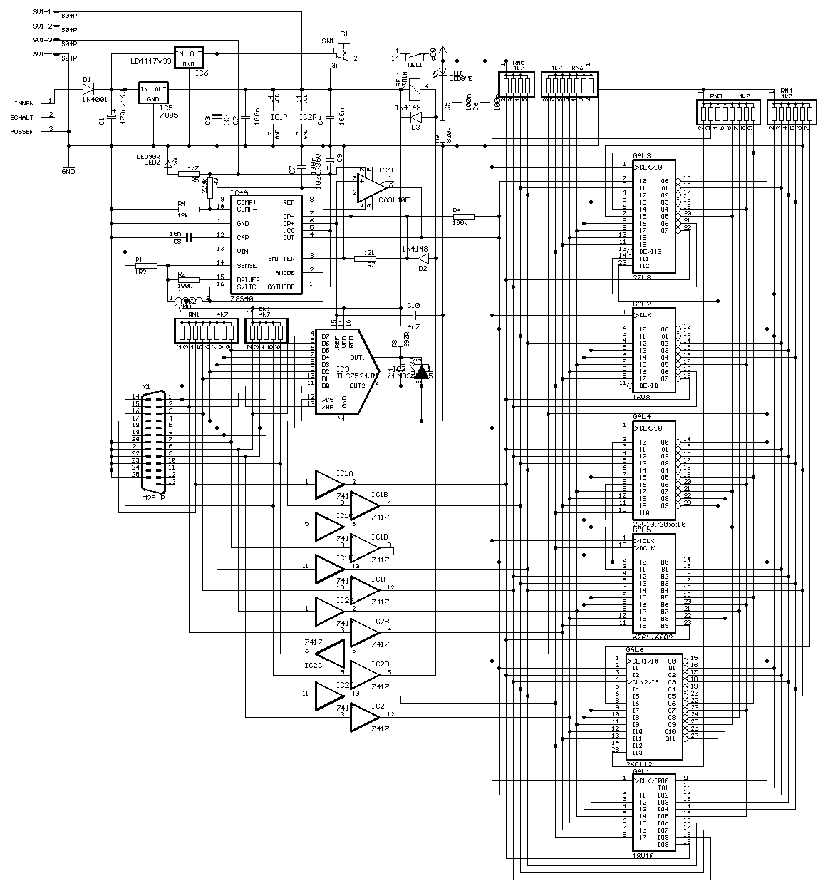
Postby keeper » 02 Aug 2010, 23:09

Полазил по винту, нарыл схему GALбласта на LM78S40:
Features
n Step-up, step-down or inverting switching regulators
n Output adjustable from 1.25V to 40V
n Peak currents to 1.5A without external transistors
n Operation from 2.5V to 40V input
n Low standby current drain
n 80 dB line and load regulation
n High gain, high current, independent op amp
n Pulse width modulation with no double pulsing

schema.gif


Кто что скажет? Может имеет смысл заюзать 78S40 и какой нибудь ЦАП с ней? Вроде получается проще немного, только управление ЦАПоп со стороны контроллера? На схеме там операционнег нужен если не стоит 78S40 и подключен БП на 30В...
keeper
 
Posts: 286
Joined: 12 Jun 2010, 22:31
Group: Registered users

Postby deathsoft » 03 Aug 2010, 02:21

Если надо шить именно ГАЛ, то там схема к ЛПТ из нескольких резисторов и источника 12В. Там на схеме линейный регулятор на КРЕН'е. А иц 4.1А - что такое? по виду какойто шим контроллер со встроенным ключем, но очень древний с грудой обвеса.
User avatar
deathsoft
 
Posts: 4744
Joined: 07 Apr 2007, 00:58
Group: Registered users

Postby jdigreze » 03 Aug 2010, 08:55

KOE wrote:я бы сделал нечто такое:
Где-то я похожее видел... Вроде бы как на МХ440 питание... ;)
Сколько меня не корми, волк всё равно в лес смотреть будет
jdigreze
 
Posts: 1478
Joined: 01 Aug 2008, 06:49
Location: Агбан
Group: Registered users

Postby lvd » 03 Aug 2010, 09:24

KOE wrote:это вы к кому сейчас обращались?

Ну не к тебе же, а вон он сам понял ;-)
F̞͖̭̿̔ͯu̐̅cͬ̑ͩk̨̤̳͇̮̭̪̠̽̿̓̆ͭͩ ̷̩̰͎̩͓̘̾̀ͬ̊ͭ͛ͅda̝̺͙̬͎̝̾͟ ̰̜̝̯͉̯̖̓̎́ͨ̽ͫ͟f̟͇̭̀ͬͨͭ̐̚u̹̼̹̗̞͑̔͂͐̚cͭ̅̊̆̒̆ǩ̝̩̯́ͥ̔̍̑ḭ͓͍̳̬ͦ̽͂n͍͎͈̈̅ͩͬ ̊ͫ̂̾̑̈́f̲͚͉͓͗̋́ͧͦ̅ȗ͇̲̻͈̲̅̎͗͒ͭ͡c̬̟̠̹̯̈́ͩ͘ͅk̫̠̻̋͜a̲͒̾̇!͙͕̺͉̗̩̲̂̏̄̀
User avatar
lvd
 
Posts: 7263
Joined: 07 Apr 2007, 21:28
Group: Registered users

Postby lvd » 03 Aug 2010, 09:27

keeper wrote:? Может имеет смысл заюзать 78S40 и какой нибудь ЦАП с ней?

Такую неебическую схему в 100500 деталей заюзать имеет смысл, только если совсем крыша туту :-)

Надо быть проще. Надо 24 вольта? Берём трансформатор на 24 вольта, выпрямляем. Надо 0в-24в? Ставим тупой линейный регулятор на лм317, опере и цапе.

А если главное процесс, а не цель, то да, чем сложнее схема, тем, наверное, радостнее.
F̞͖̭̿̔ͯu̐̅cͬ̑ͩk̨̤̳͇̮̭̪̠̽̿̓̆ͭͩ ̷̩̰͎̩͓̘̾̀ͬ̊ͭ͛ͅda̝̺͙̬͎̝̾͟ ̰̜̝̯͉̯̖̓̎́ͨ̽ͫ͟f̟͇̭̀ͬͨͭ̐̚u̹̼̹̗̞͑̔͂͐̚cͭ̅̊̆̒̆ǩ̝̩̯́ͥ̔̍̑ḭ͓͍̳̬ͦ̽͂n͍͎͈̈̅ͩͬ ̊ͫ̂̾̑̈́f̲͚͉͓͗̋́ͧͦ̅ȗ͇̲̻͈̲̅̎͗͒ͭ͡c̬̟̠̹̯̈́ͩ͘ͅk̫̠̻̋͜a̲͒̾̇!͙͕̺͉̗̩̲̂̏̄̀
User avatar
lvd
 
Posts: 7263
Joined: 07 Apr 2007, 21:28
Group: Registered users

PreviousNext

Return to Hardware

Who is online

Users browsing this forum: No registered users and 17 guests

cron