нолька wrote:поменяй ка их местами и посмотри переместятся ли полоски (по горизонтали).
Не перемещаются...
). Ничего не нашел... все фурычит. Прихожу домой... и тут меня осенило выкинуть РУ7 и попробовать РУ5... наскреб с плат убитых Балтиков. И очудо все сразу завелось!!! Либо микрухи битые продали... либо я их убил (маловероятно т.к. когда покупал их, они были пыльные - надербанили видно откуда-то, но других не было.) Есть еще проблемы конечно, но это все решаемо. Тест ОЗУ проходит, но матрас какой-то немного левый (чет еще не то в видеоконтроллере)... Скриншотик прилагается.
нолька wrote:значит либо проблема в E9 (или как он там называется) или в перемычках выбора типа озу.
нолька wrote:значит либо проблема в E9 (или как он там называется) или в перемычках выбора типа озу.

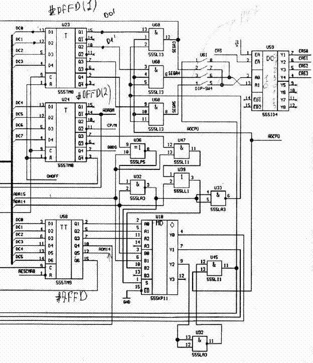
Я ща вот тут глянул на схему... у меня комп работает только с включенной 2-й либо 4-й перемычкой. Я так понял у меня cas идет только на одну банку РУ5 (теста на 128 под рукой нет проверить). Как долны стоять премычки для 2-х банок РУ7, РУ5? S5000059.avi [ 678.12 KB | Viewed 10903 times ]
Users browsing this forum: No registered users and 3 guests