AY output

Postby DDp » 02 Aug 2008, 20:02

Нашёл на "атресолях" AY-3-8912A (последнее время вживую слушал только YM).
"Пощупал".
Attachments
AY_YM_Volume.rar
(9.26 KB) Downloaded 1382 times
User avatar
DDp
 
Posts: 123
Joined: 27 Oct 2007, 10:29
Group: Registered users

Postby DDp » 02 Aug 2008, 20:04

...Сделал для себя "открытие": AY имеет окрытый выход (открытый эмиттер/исток/хз).

Отсюда:
1) На результирующий звук будет сильно оказывать влияние схема микширования и нагрузка. (Вот вам и "особое" звучание AY)
2) Стало понятно почему в оригинальной документации и в некоторых фирменных Спектрумах все три канала соединяют напрямую.

Попробовал этот "крайний" случай:
каналы модулируют друг друга, звук получается как будь-то перегруженый.
1967748.gif
Last edited by DDp on 03 Aug 2008, 08:21, edited 1 time in total.
User avatar
DDp
 
Posts: 123
Joined: 27 Oct 2007, 10:29
Group: Registered users

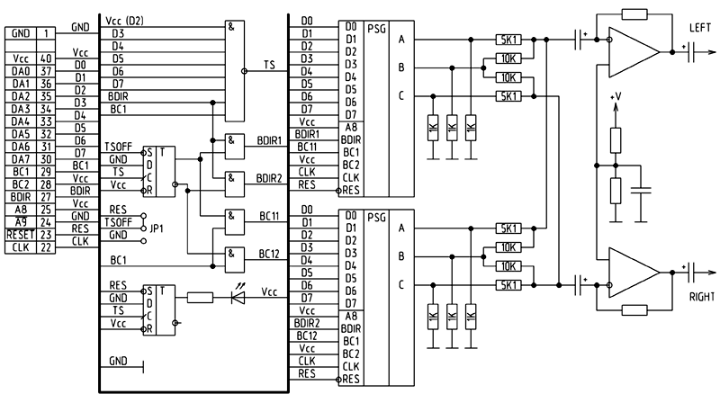
Postby DDp » 02 Aug 2008, 20:06

Собрал TurboSound на двух AY.

Цифровая часть отсюда.
Аналоговая получилась почти как в TFM.

Светодиод зажигается при обращении к регистру TS. (регистры с номером %11111xxx)
Джампером можно отключить регистр TS. (для критичных случаев)
2427256.jpg

2701707.gif
Last edited by DDp on 02 Aug 2008, 20:12, edited 1 time in total.
User avatar
DDp
 
Posts: 123
Joined: 27 Oct 2007, 10:29
Group: Registered users

Postby KOE » 02 Aug 2008, 20:29

Интересно, кстати, как будет играть vhdl-аналог YM. Все руки никак не дойдут прекомпилять его в микс на 2 ЦАПа.
Мы рождены, чтоб сказку сделать былью
"Кто не обломался, тем еще предстоит"
User avatar
KOE
 
Posts: 4683
Joined: 15 Apr 2007, 13:06
Group: Registered users

Postby dlcorp » 03 Aug 2008, 17:06

KOE wrote:Интересно, кстати, как будет играть vhdl-аналог YM. Все руки никак не дойдут прекомпилять его в микс на 2 ЦАПа.


хдл-аналога YM2203 не существует smile
dlcorp
Admin
 
Posts: 57
Joined: 11 Oct 2006, 18:15
Group: Administrators

Postby dlcorp » 03 Aug 2008, 17:07

DDp wrote:1) На результирующий звук будет сильно оказывать влияние схема микширования и нагрузка. (Вот вам и "особое" звучание AY)

Потому в ТФМ и наставлено стоко кондёров на каждую ногу каждого АУ.
А ты сэкономил... взаимовлияние на НЧ осталось.
dlcorp
Admin
 
Posts: 57
Joined: 11 Oct 2006, 18:15
Group: Administrators

Postby DDp » 03 Aug 2008, 18:08

dlcorp wrote:Потому в ТФМ и наставлено стоко кондёров на каждую ногу каждого АУ.

На YM как раз не такое сильное влияние (если вообще есть). dry
dlcorp wrote:А ты сэкономил... взаимовлияние на НЧ осталось.

1) Ну... на оченьНЧ... по постоянке... и очень слабое. dry
2) при этих габаритах платы ставить 6 штук...
3) а, ещё, можно завести от БП "минус" и убрать оставшиеся два кондёра cool
(кстати, на YM2149 и YM2203 напряжение покоя ~2,5v)
User avatar
DDp
 
Posts: 123
Joined: 27 Oct 2007, 10:29
Group: Registered users

Postby lvd » 04 Aug 2008, 10:12

DDp wrote:1) Ну... на оченьНЧ... по постоянке... и очень слабое.


И это оченьНЧ будет модулять ВЧ. =)))
И не слабее, чем у традиционной схемы.

Габариты - СМДшные танталы ставь.
F̞͖̭̿̔ͯu̐̅cͬ̑ͩk̨̤̳͇̮̭̪̠̽̿̓̆ͭͩ ̷̩̰͎̩͓̘̾̀ͬ̊ͭ͛ͅda̝̺͙̬͎̝̾͟ ̰̜̝̯͉̯̖̓̎́ͨ̽ͫ͟f̟͇̭̀ͬͨͭ̐̚u̹̼̹̗̞͑̔͂͐̚cͭ̅̊̆̒̆ǩ̝̩̯́ͥ̔̍̑ḭ͓͍̳̬ͦ̽͂n͍͎͈̈̅ͩͬ ̊ͫ̂̾̑̈́f̲͚͉͓͗̋́ͧͦ̅ȗ͇̲̻͈̲̅̎͗͒ͭ͡c̬̟̠̹̯̈́ͩ͘ͅk̫̠̻̋͜a̲͒̾̇!͙͕̺͉̗̩̲̂̏̄̀
User avatar
lvd
 
Posts: 7263
Joined: 07 Apr 2007, 21:28
Group: Registered users

Postby DDp » 14 Aug 2008, 20:53

Добавил в табличку замеры MikeJ (из комментариев к его vhdl-модели http://www.fpgaarcade.com/ )
Attachments
1054576.rar
(10.4 KB) Downloaded 1313 times
Last edited by DDp on 14 Aug 2008, 20:54, edited 1 time in total.
User avatar
DDp
 
Posts: 123
Joined: 27 Oct 2007, 10:29
Group: Registered users

Postby lvd » 14 Aug 2008, 23:37

DDp wrote:Добавил в табличку замеры MikeJ


Боюсь показаться тормозом, но тем не менее - ЧТО ПО ОСЯМ?
F̞͖̭̿̔ͯu̐̅cͬ̑ͩk̨̤̳͇̮̭̪̠̽̿̓̆ͭͩ ̷̩̰͎̩͓̘̾̀ͬ̊ͭ͛ͅda̝̺͙̬͎̝̾͟ ̰̜̝̯͉̯̖̓̎́ͨ̽ͫ͟f̟͇̭̀ͬͨͭ̐̚u̹̼̹̗̞͑̔͂͐̚cͭ̅̊̆̒̆ǩ̝̩̯́ͥ̔̍̑ḭ͓͍̳̬ͦ̽͂n͍͎͈̈̅ͩͬ ̊ͫ̂̾̑̈́f̲͚͉͓͗̋́ͧͦ̅ȗ͇̲̻͈̲̅̎͗͒ͭ͡c̬̟̠̹̯̈́ͩ͘ͅk̫̠̻̋͜a̲͒̾̇!͙͕̺͉̗̩̲̂̏̄̀
User avatar
lvd
 
Posts: 7263
Joined: 07 Apr 2007, 21:28
Group: Registered users

Next

Return to Hardware

Who is online

Users browsing this forum: No registered users and 14 guests

cron