Вопрос к гуру аналоговой схемотехники №3

Типо эксперимент, чтоб не думать мучительно, куда писать очередную фишку.

Postby fk0 » 16 Nov 2012, 20:44

Техас делает, например. Есть конторы которые в чемоданах с диджикея возят.
* Origin: зип файл! (2:5030/1559)
User avatar
fk0
 
Posts: 1535
Joined: 07 Apr 2007, 01:08
Group: Registered users

Postby deathsoft » 16 Nov 2012, 20:54

Ну кадр стандартный паловский 768x576, видимое 720x480 (2 поля интерлейсед), думаю SAA прекрасно схавает твой УКНЦ сигнал (монитором для УКНЦ были обычные бытовые телики).
Вот еще такую входную микросхему посомтри http://www.nxp.com/documents/data_sheet/SAA7118.pdf
(Есть схема реального использования этой микросхемы в телевизоре, если надо могу приаттачить)
User avatar
deathsoft
 
Posts: 4744
Joined: 07 Apr 2007, 00:58
Group: Registered users

Postby keeper » 16 Nov 2012, 21:03

Даташыты у меня есть и на SAA и на другие микрухи что рекомендует убверложык, печаль в том что после деинтерлейса видимых строк будет 288х2=576. Судя по отзывам очевидцев развертка УКНЦ ни в один телевизор или монитор не влазила :) приходилось докручивать развертку монитора/телека
keeper
 
Posts: 286
Joined: 12 Jun 2010, 22:31
Group: Registered users

Postby deathsoft » 16 Nov 2012, 22:18

Ну у меня на старом tv тюнере на базе bt878 можно было выставить формат кадра 768x576, хз уж сколько там реально видимых строк было.
User avatar
deathsoft
 
Posts: 4744
Joined: 07 Apr 2007, 00:58
Group: Registered users

Postby DimkaM » 17 Nov 2012, 11:58

сорри ежли влез не по теме

LVDS(в смысле не куча Вадеров, а интерфейс)
Не прощели под оное девайс сделать, чем с аналогом связыватся

Я бы прикупил такой дивайсик для Евы
N>"Идите нахуй" со своей политикой...
DimkaM
 
Posts: 1011
Joined: 24 Mar 2010, 12:42
Location: г.Щёлково М.О.
Group: Registered users

Postby lvd » 17 Nov 2012, 13:23

под лвдс надо сначала панельку найти или выдрать из сломанного ноута. А вообще лвдс высрать из альтеры -- не проблема, заводим ПЛЛ на пикселклок*7, формируем данные как в openldi написано и опа -- показывает.
F̞͖̭̿̔ͯu̐̅cͬ̑ͩk̨̤̳͇̮̭̪̠̽̿̓̆ͭͩ ̷̩̰͎̩͓̘̾̀ͬ̊ͭ͛ͅda̝̺͙̬͎̝̾͟ ̰̜̝̯͉̯̖̓̎́ͨ̽ͫ͟f̟͇̭̀ͬͨͭ̐̚u̹̼̹̗̞͑̔͂͐̚cͭ̅̊̆̒̆ǩ̝̩̯́ͥ̔̍̑ḭ͓͍̳̬ͦ̽͂n͍͎͈̈̅ͩͬ ̊ͫ̂̾̑̈́f̲͚͉͓͗̋́ͧͦ̅ȗ͇̲̻͈̲̅̎͗͒ͭ͡c̬̟̠̹̯̈́ͩ͘ͅk̫̠̻̋͜a̲͒̾̇!͙͕̺͉̗̩̲̂̏̄̀
User avatar
lvd
 
Posts: 7263
Joined: 07 Apr 2007, 21:28
Group: Registered users

Postby KOE » 17 Nov 2012, 14:00

keeper wrote:Диапазон 25-35МГц

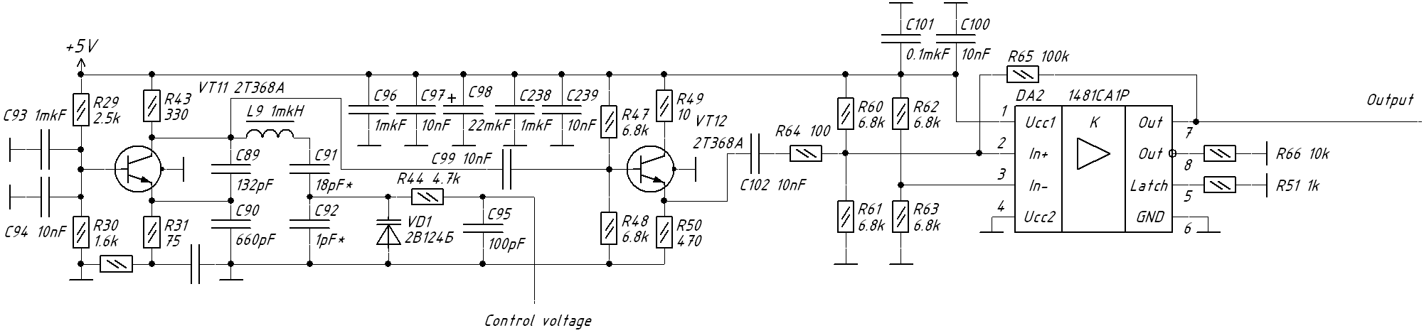
Если готовый в деревне не купить, то сделать самому. Я делал ГУН, перестраиваемый в диапазоне 55..58 МГц, чтобы попасть в удвоенный пиксельклок после залочивания фапчей. 1 индуктивность самопальная (намотал на резисторе 1 МОм 0.25 Вт и залил клеем). Емкостная трехточка. Советский транзистор и россыпь. Работает. На выходе синус. Нужен компаратор или нечто подобное, чотбы сделать меандр. Сам ФАПЧ пока не доделал. Схема прилагается. Реальная индуктивность 1.6 мкГн, а не 1.
keeper wrote:Заюзать кварц с варикапом, на сколько я понимаю будет подстраиваться медленно и мучительно...

Кварц перестраивается почти мгновенно. Но перестраивается в 4..5 знаках после запятой, т.е. в очень узком диапазоне.
untitled1.png
Мы рождены, чтоб сказку сделать былью
"Кто не обломался, тем еще предстоит"
User avatar
KOE
 
Posts: 4683
Joined: 15 Apr 2007, 13:06
Group: Registered users

Postby jdigreze » 18 Nov 2012, 13:03

keeper wrote:видимых строк будет 288х2=576
Да вроде как стандарт для пала. Вообстще, как бы пал и секам 625 строк, из них видимых как бы меньше, и по-моему аккурат как бы 576...
А учебный капуктир-наутчный тсентер - как раз под тв чб 625х50 расчитан. Из обширой практики ремонта и обслуживания оных, кои были еще в школах некогда.
Сколько меня не корми, волк всё равно в лес смотреть будет
jdigreze
 
Posts: 1478
Joined: 01 Aug 2008, 06:49
Location: Агбан
Group: Registered users

Postby keeper » 18 Nov 2012, 16:23

KOE wrote:Кварц перестраивается почти мгновенно

Я имел ввиду что фазы сигналов будут выравниваться относительно долго. В общем понятно, надо экспериментировать. О результатах отпишу.
jdigreze wrote:Да вроде как стандарт для пала.

Вот что пишут в датом шыте:
palntsc1.jpg
palntsc1.jpg (88.95 KB) Viewed 28678 times
palntsc2.jpg
palntsc2.jpg (70.66 KB) Viewed 28678 times
keeper
 
Posts: 286
Joined: 12 Jun 2010, 22:31
Group: Registered users

Postby lvd » 18 Nov 2012, 17:52

keeper wrote:Вот что пишут в датом шыте:

Если у тебя пикселклок 25мгц, то ЛЮБАЯ другая (кроме кратных) частота будет давать мазню.
Last edited by lvd on 18 Nov 2012, 18:11, edited 1 time in total.
F̞͖̭̿̔ͯu̐̅cͬ̑ͩk̨̤̳͇̮̭̪̠̽̿̓̆ͭͩ ̷̩̰͎̩͓̘̾̀ͬ̊ͭ͛ͅda̝̺͙̬͎̝̾͟ ̰̜̝̯͉̯̖̓̎́ͨ̽ͫ͟f̟͇̭̀ͬͨͭ̐̚u̹̼̹̗̞͑̔͂͐̚cͭ̅̊̆̒̆ǩ̝̩̯́ͥ̔̍̑ḭ͓͍̳̬ͦ̽͂n͍͎͈̈̅ͩͬ ̊ͫ̂̾̑̈́f̲͚͉͓͗̋́ͧͦ̅ȗ͇̲̻͈̲̅̎͗͒ͭ͡c̬̟̠̹̯̈́ͩ͘ͅk̫̠̻̋͜a̲͒̾̇!͙͕̺͉̗̩̲̂̏̄̀
User avatar
lvd
 
Posts: 7263
Joined: 07 Apr 2007, 21:28
Group: Registered users

PreviousNext

Return to Электроника

Who is online

Users browsing this forum: No registered users and 7 guests

cron