KOE- nedo дача

drinking, buzzing, going mad, tire burning, etc.

Postby jdigreze » 29 Jul 2010, 03:29

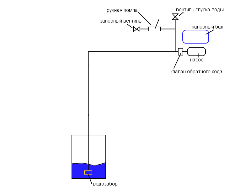
Объяснение "рекомендованного" простое - этот насос, точнее это называется автоматическая насосная станция, очень сильно "боится" работы без воды, т.е. нельзя чтобы в трубах был воздух. Если хочешь подключить его по своей схеме, то тебе нужно будет сделать ручную предзакачку водой трубы от уровня воды до обратного клапана. Примерно так:
Image
Запуск системы:
1) закрыть вентиль спуска воды
2) открыть запорный вентиль
3) помпой накачать воду в систему до устойчивого выхода воды из запорного вентиля
4) закрыть запорный вентиль
5) можно запускать станцию
Отключение системы:
1) отключить станцию
2) открыть вентиль спуска воды.

Вообще в документации к насосной станции такая схема должна быть описана.
Порой инет на предмет наличия техдокументации от производителя данных станций, там много чего полезного можно почерпнуть для себя.
Attachments
waterpump.png
схемка
(10.79 KB) Not downloaded yet
Сколько меня не корми, волк всё равно в лес смотреть будет
jdigreze
 
Posts: 1478
Joined: 01 Aug 2008, 06:49
Location: Агбан
Group: Registered users

Postby jdigreze » 29 Jul 2010, 03:37

Эээ... Забыл сказать, что запуск и остановка системы делается фактически один раз в сезон. Весь сезон станция находится в рабочем состоянии и держит уровень и напор воды сама. Естественно станция весь сезон должна быть включена в электросеть.
Сколько меня не корми, волк всё равно в лес смотреть будет
jdigreze
 
Posts: 1478
Joined: 01 Aug 2008, 06:49
Location: Агбан
Group: Registered users

Postby нолька » 29 Jul 2010, 05:04

а если один из кранов будет пропускать, то за ночь вся система завоздушит и насос в сухую будет работать.
<alone> предлагаю тслабсу дать транк, но с условием чтобы он впилил туда спрайтотайлы, но не трогал атм
<LordVader> alone: яготов всосать срайты от тслабса )
<LordVader> атм режимы это пиздец
User avatar
нолька
рОвный
 
Posts: 1200
Joined: 08 Apr 2007, 20:12
Group: Registered users

Postby jdigreze » 29 Jul 2010, 06:47

А кто сказал, что автономный водопровод - это просто?
Многие просто не задумываются над техническими аспектами эксплуатации высокотехнологичного оборудования.
К примеру многие понаставили себе в котеджи электроотопление - поняли что это хоть и просто, но ощщщень дорого.
Следующая итерация - убирают электроотопление, ставят твердотопливный котел. Вроде бы заявлено, что "долгого горения", в итоге стоят всю зиму с лопатой около котла...
Газа тут у нас централизованного нет, но тоже не без недостатков. А если вдруг посередь сорокоградусных газ перестанет поступать?

То же и к насосным приблудам относится. Смонтировать грамотно систему - это одно. А потом эксплуатировать - это другое.
В итоге, сам, к примеру, пришел к выводу о том, что самая лучшая система, это в которой все ручками. Условно конечно, например на воду у меня стоит насос типа "малыш" - подошел к колодцу с ведром, ткнул вилку в розетку, и счастье. Отключили свет, али насос поломался, грязно выругался, зацепил это же ведро на трос и покрутил рукоятку. В любом раскладе - вода есть.
Мужик напротив скважину пробил... Ну в общем пока "без Светы сидели", скважину заилило... Знакомый мастер по колодцам ходит аж хохочет. ;)
Сколько меня не корми, волк всё равно в лес смотреть будет
jdigreze
 
Posts: 1478
Joined: 01 Aug 2008, 06:49
Location: Агбан
Group: Registered users

Postby KOE » 01 Aug 2010, 19:10

jdigreze, спасибо огромное.
jdigreze wrote:Вообще в документации к насосной станции такая схема должна быть описана.

В документации нет никаких схем подключения. ТОлько общие слова и реклама производителя.
jdigreze wrote:Газа тут у нас централизованного нет, но тоже не без недостатков.

У меня новая мечта - газ подвести. Но пока с этим тяжело. Газ есть только в сторожке и более ни у кого. Хотя газопровод проходит в 300 метрах от моего участка. Из соседей никто подключаться не хочет, а мне одному за свой счет тянуть и подключать 300 метров трубы, чтобы потом к ней все нахаляву присосались как-то не очень хочется.

jdigreze wrote:Знакомый мастер по колодцам ходит аж хохочет.


:) Я тоже скважину хотел, но мне сказали, что в наших почвах она через 2-3 года песком затянется. Обошелся колодцем.
Мы рождены, чтоб сказку сделать былью
"Кто не обломался, тем еще предстоит"
User avatar
KOE
 
Posts: 4683
Joined: 15 Apr 2007, 13:06
Group: Registered users

Postby KOE » 01 Aug 2010, 19:20

jdigreze wrote:Примерно так:

ТОгда лучше ручную помпу подключить после обратного клапана, чтобы она закачивала воду прямо ко входу насоса, иначе все равно воздух в трубе будет, хоть и немного. А вентиль спуска оставить, как есть.
jdigreze wrote:Естественно станция весь сезон должна быть включена в электросеть.

Ну если я на месяц куда свалю, но при этом не будет морозов, то я думаю, что как раз лучше питание вырубить, а воду не сливать. Просто давление в баке уменьшится, а при повторном включении оно восстановится, разве не так?
Я боюсь оставлять подключенной к сети всяко-разную автоматическую аппаратуру, когда куда-то надолго уезжаю. Отчасти от того, что сам проектирую радиаппаратуру и знаю, как и из чего она делается.
Мы рождены, чтоб сказку сделать былью
"Кто не обломался, тем еще предстоит"
User avatar
KOE
 
Posts: 4683
Joined: 15 Apr 2007, 13:06
Group: Registered users

Postby KOE » 01 Aug 2010, 19:28

jdigreze wrote:К примеру многие понаставили себе в котеджи электроотопление - поняли что это хоть и просто, но ощщщень дорого.

2 крокодила до счетчика и все бесплатно. Приходит проверка - крокодилы выдергиваются. У меня раньше была предусмотрена даже целая розетка, подключенная до счетчика (правда, я ею ни разу не пользовался), но потом, когда подключал электричество к новому дому, сделал все по правилам, т.к. у нас в товариществе пришел новый сравнительно молодой и внимательный электрик (раньше был дедушка, которому было 83 года и все до одного места). На самом деле, воровать электричество у нас нет никакого смысла. Я вот за сезон заплатил всего навсего 300р. Хотя и сваркой, и электропилами пользовался.
Мы рождены, чтоб сказку сделать былью
"Кто не обломался, тем еще предстоит"
User avatar
KOE
 
Posts: 4683
Joined: 15 Apr 2007, 13:06
Group: Registered users

Postby jdigreze » 02 Aug 2010, 04:09

KOE wrote:Ну если я на месяц куда свалю, но при этом не будет морозов, то я думаю, что как раз лучше питание вырубить, а воду не сливать. Просто давление в баке уменьшится, а при повторном включении оно восстановится, разве не так?
Завоздушить может. Тогда лучше поставь напорный бак на крыше, там тумблер к поплавку и обычный погружной насос. Конструкция обойдется и дешевле и проще в эксплуатации, правда к ней стиральную машинку автомат не подключишь. Ну и напор в системе будет небольшой. Опять же для дачи, как мне кажется, этого варианта должно хватить "за глаза".
KOE wrote:2 крокодила до счетчика и все бесплатно.
Не проканает с постоянным отоплением. Утечку в течении недели засекают, там же десятки киловатт круглосуточно (зимой). Ну и вычилсяют кто именно "палит". Потом тебе сразу повестку в суд по статье "воровство".
KOE wrote:Я боюсь оставлять подключенной к сети всяко-разную автоматическую аппаратуру, когда куда-то надолго уезжаю. Отчасти от того, что сам проектирую радиаппаратуру и знаю, как и из чего она делается.
Аналогично. Но иногда приходится.
Сколько меня не корми, волк всё равно в лес смотреть будет
jdigreze
 
Posts: 1478
Joined: 01 Aug 2008, 06:49
Location: Агбан
Group: Registered users

Postby jdigreze » 02 Aug 2010, 04:24

KOE wrote:ТОгда лучше ручную помпу подключить после обратного клапана, чтобы она закачивала воду прямо ко входу насоса, иначе все равно воздух в трубе будет, хоть и немного. А вентиль спуска оставить, как есть.

Пожалуй да.
Сколько меня не корми, волк всё равно в лес смотреть будет
jdigreze
 
Posts: 1478
Joined: 01 Aug 2008, 06:49
Location: Агбан
Group: Registered users

Postby KOE » 02 Aug 2010, 07:37

jdigreze wrote:Потом тебе сразу повестку в суд по статье "воровство".

Очень маловероятно. Вон у нас в Ногинске 40% семей не платит за квартиру. Т.е. из 5 семей 2 - неплательщики. И никого в суд не вызывают. Раньше хотели выселять - но куда пол-города выселишь? Перекрывают воду, даже канализацию, электричество вырубают, а люди сами включают назад и живут как ни в чем не бывало. На пождъездах вешают списки злостных неплательщиков, но лучше не становится, их наоборот, еще больше становится. Сейчас придумали новый способ борьбы - отключают горячую воду сразу всему дому, т.е. и тем кто платит, и тем, кто не платит. Администрация города рвет волосы на всех частях тела, но откуда у людей деньги платить за квартиру, когда из последнего завода сделали торговый центр. При этом Ногинск до сих пор считается самым дорогим городом в московской области, в смысле жить там дороже, чем в любом другом из городов области.
Так что я думаю, что до повесток в суд дела в таких случаях не доходят.
Мы рождены, чтоб сказку сделать былью
"Кто не обломался, тем еще предстоит"
User avatar
KOE
 
Posts: 4683
Joined: 15 Apr 2007, 13:06
Group: Registered users

PreviousNext

Return to Сборища, попоища, сисопники, шовы, парти и проч.

Who is online

Users browsing this forum: No registered users and 3 guests

cron