новый мегагигасуперкрутой эмулятор для буханки

emulators

Postby deathsoft » 17 Jul 2013, 17:45

pentagon.png
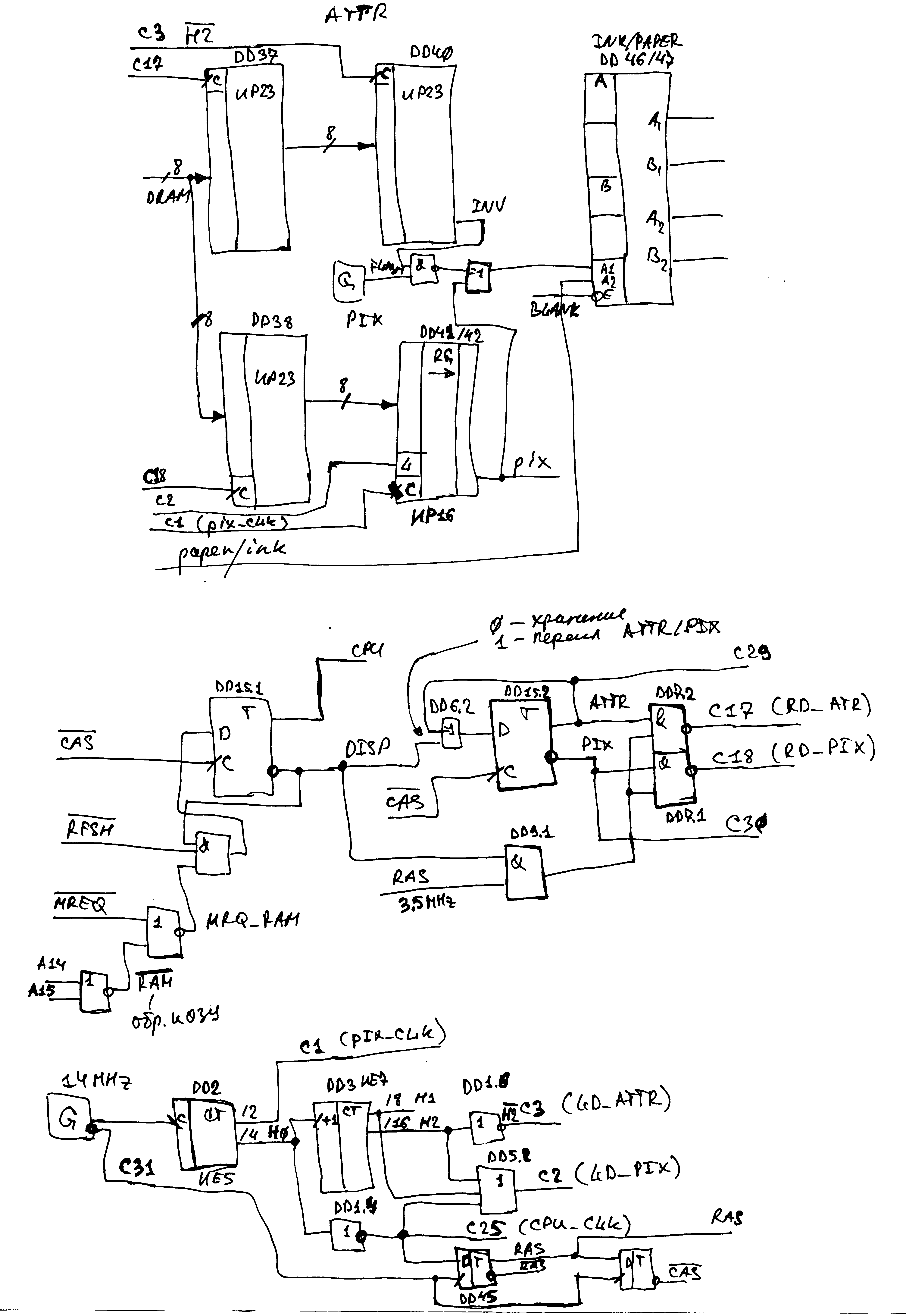
Схема видеоконтроллера

wave.png
Результаты моделирования
wave.png (10.97 KB) Viewed 18655 times


Вот схема и результаты моделирования. На временн́́о́й диаграмме четко видно, что пиксели всегда читаются до атрибутов, хотя фазовые соотношения сигналов меняются, но случая когда атрибуты читаются перед пикселями никогда нету. Можно сделать более детальное моделирование, где будет работать реальная программа а не rst 38. Если процессор к памяти не обращается, то сигналы C17 и C18 распределены равномерно и их фазовые соотношения не меняются.
User avatar
deathsoft
 
Posts: 4744
Joined: 07 Apr 2007, 00:58
Group: Registered users

Postby zxmak » 17 Jul 2013, 22:26

на первый взгляд, у тебя обращения к памяти четко выровненны, видимо поэтому два смещения происходит, они друг друга компенсируют и порядок не меняется
Эмулятор-виртуальная машина ZX Spectrum - ZXMAK2: https://zxmak2.codeplex.com/
User avatar
zxmak
 
Posts: 83
Joined: 26 Oct 2012, 02:25
Group: Registered users

Postby deathsoft » 17 Jul 2013, 23:09

zxmak wrote:на первый взгляд, у тебя обращения к памяти четко выровненны

Ну скажи какую последовательность команд подать на процессор, чтобы была перестановка пискселей и атрибутов, я могу на процессор любые команды подать, подключив пзу вместо озу.

Я вот просто по схеме вижу, что если DIS=0, то RAS на выход не пройдет и никаких стробов записи в кэш регистры не будет (DD9.1 можно объединить с DD7.2, будет просто И-НЕ на 4 входа). При DIS=0 на выходах C17, C18 всегда будет 1, независимо ни от каких других сигналов, а запись в ИР23 происходит только по перепаду 0->1.
User avatar
deathsoft
 
Posts: 4744
Joined: 07 Apr 2007, 00:58
Group: Registered users

Postby zxmak » 18 Jul 2013, 22:16

может ты и прав, нужно разбираться со схемой
Эмулятор-виртуальная машина ZX Spectrum - ZXMAK2: https://zxmak2.codeplex.com/
User avatar
zxmak
 
Posts: 83
Joined: 26 Oct 2012, 02:25
Group: Registered users

Postby deathsoft » 18 Jul 2013, 22:25

zxmak wrote:может ты и прав, нужно разбираться со схемой

Я могу vhdl модели выложить сюда, чтобы не делать одно и тоже по 10 раз, сможешь сам в любом симуляторе промоделировать.
User avatar
deathsoft
 
Posts: 4744
Joined: 07 Apr 2007, 00:58
Group: Registered users

Previous

Return to Эмуляторы

Who is online

Users browsing this forum: No registered users and 2 guests

cron